Базовый состав заборной секции:
- Ламели Z-образные 106
- П-образный профиль боковой 60х34 с готовыми отверстиями с шагом 84 или 106 мм.
- П-образный профиль верхний 60х34 без отверстий
- Усилитель 20х6х1 мм.
Дополнительно можно установить профиль завершающий, декоративные накладки на столбы, а так же профиль для скрытого крепления (для того, чтобы скрыть заклепки)
Вид заборной секции Royal VIP "Стандарт-106"
![]() |
![]() |
Вид заборной секции Royal VIP "Люкс-84"
![]() |
![]() |

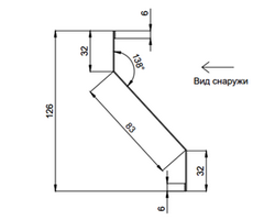
Внешний вид и размеры ламелей
![]() |
![]() |
![]() |
Толщина ламели забора-жалюзи ROYAL VIP с порошковым покрытием составляет 0,7 мм., 0,9 мм. или 1,2 мм., что позволяет не использовать в заборной секции усилители с обратной стороны забора. Увеличенная передняя полка ламели придает внешнему виду забора дополнительную премиальность. Забор с такой ламелью не только красивый, но и очень надежный. Качественное порошковое покрытие толщиной до 150 мкм. будет являться прочным и антивандальным, краска не будет обдираться при механических воздействиях. Эстетические свойства, высокая коррозионная стойкость, равномерность и толщина покрытия - преимущества заборов-жалюзи VIP серии с полимерно-порошковым покрытием. |
Цвета покрытий

Обращайтесь к нам, и мы поможем Вам сделать оптимальный выбор забора в соответствии с Вашими пожеланиями!






