Базовый состав заборной секции:
- Ламели S-образные 0,5х104
- П-образный профиль боковой 0,5х60
- П-образный профиль верхний 0,5х106
- Усилитель 0,5х51
Дополнительно можно установить профиль завершающий, декоративные накладки на столбы.
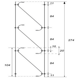
Вид заборной секции Elite из S-образных ламелей
![]() |
![]() |
При необходимости можно выбрать индивидуальный шаг установки ламелей. В этом случае боковой П-образный профиль нужно заказывать без отверстий и изготавливать их самостоятельно.
Цвета и типы покрытий




Обращайтесь к нам, и мы поможем Вам сделать оптимальный выбор забора в соответствии с Вашими пожеланиями!


